
Ein Rammschutzbügel ist ein wichtiger Bestandteil der Sicherheitsausrüstung in jedem Kraftfahrzeug, im Handel oder in der
Industrie. Er kann nicht nur dazu beitragen, Ihr Eigentum vor möglichen Schäden zu schützen, sondern auch die Personen in der Nähe des Fahrzeugs im Falle eines Aufpralls zu schützen. Allerdings ist die ordnungsgemäßMontage für die Wirksamkeit des Schutzbügels von entscheidender
Bedeutung.
Anleitung zur Installation:
Ein Rammschutzbügel ist ein wichtiges Zubehör für Ihr Fahrzeug. Der korrekte Einbau ist entscheidend für seine Wirksamkeit und
Langlebigkeit. In diesem Artikel finden Sie einige Tipps, die Ihnen bei
der korrekten Installation helfen.
1.
Machen Sie sich mit dem Handbuch vertraut: Bevor Sie mit dem Einbau
eines Rammschutzbügels beginnen, machen Sie sich mit den Anweisungen im
Handbuch des Produkts vertraut. Lesen Sie sie sorgfältig durch, um zu
verstehen, was zu tun ist und welche Probleme bei der Installation
auftreten können.
2.
Bereiten Sie Ihren Installationsort vor: Vergewissern Sie sich, dass
der Bereich, in dem Sie den Rammschutzbügel installieren wollen, frei
von Schmutz, Öl, Fett oder anderen Verunreinigungen ist, die bei der
Installation des Produkts Probleme verursachen könnten. Verwenden Sie
nach Möglichkeit einen feuchten Lappen oder ein Tuch, um die Oberfläche
abzuwischen, bevor Sie beginnen.
3.
Besorgen Sie alle erforderlichen Werkzeuge und Teile: Vergewissern Sie
sich, dass alle für die Installation erforderlichen Werkzeuge
griffbereit sind, bevor Sie mit den Arbeiten an Ihrem Rammschutzbügel
beginnen. Dazu gehören Schrauben, Bolzen, Muttern, Unterlegscheiben und
alle anderen Teile, die mit dem Aufbau Ihres speziellen Produkts
zusammenhängen.
4.
überprüfen Sie die Passgenauigkeit: Bevor Sie mit dem Bohren oder der
Montage der Komponenten für den Rammschutzbügel an Ihrem Fahrzeug
beginnen, müssen Sie sicherstellen, dass alles richtig ausgerichtet ist
und wie in den Anweisungen in Ihrem Handbuch angegeben passt. Einige
Vorrichtungen müssen unter Umständen geringfügig angepasst oder
zugeschnitten werden, wenn sie nicht von sich aus genau richtig
ausgerichtet sind.
5.
alle Sicherheitsvorkehrungen befolgen: Bei der Verwendung von
Drehmomentmessern, Schlagschraubern und Schleifmaschinen muss bei der
Installation dieses Zubehörs äußerst vorsichtig vorgegangen werden, da
diese Geräte selbst bei korrekter Anwendung leicht Risiken bergen
können. Befolgen Sie wie immer alle Sicherheitsvorkehrungen beim Betrieb
von Elektrowerkzeugen.
6.
ziehen Sie die Schrauben und Muttern sicher fest: Sobald Sie alle Teile
korrekt an ihren jeweiligen Standorten montiert haben, stellen Sie
sicher, dass alle Schrauben und Muttern sicher angezogen werden, nachdem
der Benutzer ihre Platzierung doppelt überprüft hat. Sie müssen auch
regelmäßig alle paar Monate auf Verschleißerscheinungen überprüft
werden.
7
Vermeiden Sie übermäßiges Anziehen: Der Schlüssel dazu ist,
sicherzustellen, dass alles fest angezogen ist, ohne es zu sehr zu
überdrehen, was zu unnötigen Belastungspunkten an den Schäkellagern oder
Fehlausrichtungen aufgrund übermäßiger Beanspruchung durch den Benutzer
an mehreren Befestigungselementen führen kann.
8
Prüfen Sie nach der Installation des Riegels auf Lecks:
Ultraviolettlicht-Installationskammern sollten immer installiert werden,
nachdem alle Barr-Teile auf ihren festen Sitz überprüft wurden, um
mögliche Lecks in der unmittelbaren Nachinstallationsphase zu erkennen.
9
Genießen Sie die Vorteile des Rammschutzbügels: Genießen Sie es, sicher
zu fahren, weil Sie wissen, dass Ihr Fahrzeug jetzt einen verbesserten
Schutz gegen unerwartete Vorfälle im Motorsport hat.
Tipps & Tricks
Der Untergrund
Wählen
Sie den Einbauort sorgfältig aus: Es ist wichtig, den Rammschutzbügel
an einem Bereich Ihres Fahrzeugs zu montieren oder zu verschrauben, der
stabil genug ist und bei einem Aufprall nicht zusammenbrechen kann. Die
genaue Position hängt von der Größe und dem Typ des Fahrzeugs und seinem
Verwendungszweck ab. Berücksichtigen Sie daher bei der Auswahl der
idealen Stelle Faktoren wie Gewichtsbeschränkungen, Schwerpunkt und
Designbelastung.
Überprüfen
Sie die Maße: Bevor Sie mit dem Einbau beginnen, sollten Sie den
Bereich, in dem Sie den Rammschutzbügel anbringen möchten, sowie alle
Maße für die Verankerungspunkte und andere Träger, die für Ihre
Einrichtung erforderlich sind, sorgfältig ausmessen. Dieser Schritt
stellt sicher, dass nach der Montage alles richtig sitzt; wenn die Maße
auch nur um einen Millimeter abweichen, könnte die gesamte Installation
gefährdet sein.
Oberfläche
vorbereiten: Bevor Sie die Teile zusammenfügen oder an Ihrem Fahrzeug
befestigen, müssen Sie die Oberflächen reinigen und entsprechend
vorbereiten, z. B. mit Klebstoffen oder anderen Vorbereitungsmethoden
gemäß den Anweisungen des Herstellers. Jegliche Beschichtung oder Farbe
sollte vor der Anbringung entfernt werden, da dies die Sicherheit der
einzelnen Komponenten beim Zusammenbau beeinträchtigen kann, was zu
einer schwächeren Gesamtstruktur als erwartet führt.
Bohren
in Betracht ziehen: Möglicherweise benötigen Sie Spezialwerkzeuge -
einschließlich Bohrer -, um bestimmte Komponenten wie Halterungen und
Schrauben auf unebenen Oberflächen (z. B. Stoßstangen) ordnungsgemäß
miteinander zu verbinden. Wenn Sie sich nicht zutrauen, selbst in Ihr
Fahrzeug zu bohren, wenden Sie sich an einen professionellen Mechaniker,
der diese Arbeit für Sie sicher und zuverlässig ausführen kann, ohne
Schäden zu verursachen oder die Wirksamkeit zu beeinträchtigen.
Befestigen
Sie die Schrauben: Nachdem alle Teile gemäß den Herstelleranweisungen
angebracht und gesichert wurden (Schrauben angezogen), sollten Sie
überprüfen, ob alle Befestigungselemente von den zugänglichen Stellen
entfernt wurden, damit sie nach Abschluss der Installation nicht mehr
verändert werden können - andernfalls könnte die Sicherheit aller
Beteiligten gefährdet sein!
Testen
Sie die Effizienz: Nach der ordnungsgemäßen Installation eines
Rammschutzbügels sollten Sie sich vergewissern, dass er einwandfrei
funktioniert, indem Sie seine physische Unversehrtheit testen: Ziehen
Sie vorsichtig an den Teilen, bevor eine andere Person wiederholt Druck
auf sie ausübt, und zwar in Bereichen, die nahe genug sind, um bei
realen Anwendungen gegen Wände oder Masten zu stoßen (um
sicherzustellen, dass alles intakt bleibt). Es ist auch ratsam, jede
Baugruppe von zwei qualifizierten Personen prüfen zu lassen, bevor sie
als fertiges Produkt akzeptiert wird, um spätere riskante Änderungen
oder Fehler aufgrund mangelnder Beweglichkeit zu vermeiden, wenn die
Baugruppe aufgrund mangelnder Flexibilität nicht in das Gehäuse passt.
Recherche
Recherchieren Sie verschiedene Arten von Rammschutzbügeln
Bevor
Sie beginnen, sollten Sie sich über die verschiedenen Arten von
Rammschutzbügeln informieren, damit Sie die beste Option für Ihren Lkw
auswählen können. Achten Sie bei der Beurteilung der verschiedenen
Schutzbügel auf Faktoren wie die Bauart (Aluminium oder Stahl?), das
Montageverfahren (geschweißt oder geschraubt?) und die
Tragfähigkeit/Belastung (leichte oder schwere Ausführung?).
Wählen Sie einen Installationsort
Wenn
Sie sich für eine Schutzbügelvariante entschieden haben, die Ihren
Anforderungen entspricht, müssen Sie einen idealen Montageort für den
Bügel auswählen. Die meisten Leute montieren ihre Schutzbügel an der
vorderen Stoßstange des Lkw, um sich vor Frontalzusammenstößen zu
schützen, aber wenn Sie es lieber weiter hinten haben, ist auch eine
Montage hinter oder in der Nähe des Fahrerhauses möglich. Denken Sie
daran, dass der Anbringungsort nicht mit anderen Strukturen hinter dem
Fahrzeug kollidieren sollte.
Benötigte Werkzeuge und Ausrüstung vorbereiten
Um
die Montage vorzubereiten, sollten Sie ermitteln, welche Werkzeuge und
Geräte erforderlich sind - dies hängt oft von der Konstruktion ab. Wenn
Ihre Stange beispielsweise mit Schrauben befestigt wird, sind
möglicherweise Bohrer und Schraubendreher erforderlich, während für das
Schweißen geeignete Schneid- und Schweißgeräte wie Handschuhe und
Schutzbrillen sowie Zugang zu einer Schweißstromquelle benötigt werden.)
Vergewissern Sie sich, dass alle diese Werkzeuge und Materialien zur
Verfügung stehen, bevor Sie mit der Montage beginnen.
Installieren Sie bei Bedarf Halterungen
Einige
Konstruktionen sind bereits mit Halterungen für die Montage
ausgestattet, aber wenn Ihre Konstruktion keine enthält, sollten Sie in
Erwägung ziehen, diese zunächst separat zu kaufen, da sie die Stabilität
erheblich verbessern und Vibrationsschäden im Laufe der Zeit
verringern. Da es viele verschiedene Halterungstypen gibt, ist zu
beachten, dass jede Halterung entweder zu den vorhandenen Beschlägen am
Fahrgestell ODER zu den Löchern in den jeweiligen Rahmenteilen passen
muss, die für die Befestigung von tragenden Teilen (Höhenruder usw.)
verwendet werden.
Komponenten zusammenschweißen oder verschrauben
Im
nächsten Schritt wird alles zusammengebaut! Die Befestigungsgurte
sollten gesichert sein, bevor Sie fortfahren, also verbinden Sie sie mit
den Stoßfänger-/Rahmenbereichen - stellen Sie sicher, dass die
Muttern/Schrauben während des Aufbaus mit beiden Materialoberflächen in
Kontakt kommen, um optimale Stabilität und Festigkeit zu erreichen,
indem Sie die zuvor gesammelte Ausrüstung verwenden. Wenn die Option des
Schweißens praktikabler ist, dann heften Sie die Komponenten zusammen,
bevor Sie die endgültigen Schweißnähte anbringen - dies wird dazu
beitragen, dass die Teile ohne übermäßige Bewegung ausgerichtet bleiben,
wenn die Hitze des Schweißbrenners angewendet wird. Stellen Sie
abschließend sicher, dass alle Halterungen und Beschläge nach Abschluss
der Arbeiten sicher sind, indem Sie sie vor der Probefahrt auf der
Straße erneut überprüfen.
Verletzungsrisiko verringern
Die
Montage eines Rammschutzbügels an Ihrem Fahrzeug ist ein wichtiger
Aspekt, um schwere Schäden zu vermeiden und die Sicherheit aller
Insassen bei einem Unfall zu gewährleisten. Die korrekte Montage eines
Rammschutzbügels ist unerlässlich, wenn Sie möchten, dass er Ihr
Fahrzeug wirksam vor schweren Kollisionen und Stößen schützt. Hier
finden Sie einige Tipps für den Einbau eines Rammschutzbügels:
Wählen Sie den richtigen Rammschutzbügel
Die
Wahl der richtigen Rammschutzbügel hängt von der Art und Größe Ihres
Fahrzeugs ab. Achten Sie bei der Auswahl eines geeigneten Modells auf
Spezifikationen wie Größe und Kapazität. Für einige Fahrzeuge sind
spezielle Modelle erforderlich, während andere möglicherweise von einem
Fachmann angepasst werden müssen.
Bereiten Sie Ihr Fahrzeug vor
Vergewissern
Sie sich vor der Montage von Rammschutzleisten, dass Ihr Fahrzeug von
allen vorhandenen Stoßfängern und Verkleidungen befreit wurde und frei
von Schmutz und Ablagerungen ist. Die Verwendung von Reinigungsmitteln
kann dazu beitragen, dass Ihr Fahrzeug vor dem Einbau sauber ist.
Montieren Sie die Montageplatten
Nachdem
Sie alle Teile aus der Verpackung genommen haben, legen Sie sie aus, um
zu verstehen, was bei der Montage zuerst geschehen muss. Befolgen Sie
die Anweisungen sorgfältig, da für einige Teile Bohrungen oder
Spezialwerkzeuge erforderlich sein können, um sie ordnungsgemäß an Ihrem
Fahrzeug anzubringen. Das Anbringen von Montageplatten zur Befestigung
der zweiarmigen Halterungen bildet die Grundlage für den sicheren Einbau
eines Rammschutzbügels. Bringen Sie diese Platten auf beiden Seiten der
Endstangen Ihres Fahrzeugs an und befestigen Sie sie mit Schrauben,
damit sie sich bei rutschigen Straßen oder Unfällen nicht so leicht
lösen können.
Querträgerhalterungen anbringen
Der
nächste Schritt bei der Installation besteht darin, die
Querstrebenhalterungen sicher an den beiden zuvor installierten
Montageplatten zu befestigen, damit die oberen und unteren Armlehnen
später mit ihnen verbunden werden können und eine verstellbare
Rahmenstruktur bilden, zwischen der später ein Stoßfänger mit Schrauben
befestigt werden kann. Achten Sie darauf, dass diese Querträger fest
sitzen, damit sie sich nicht lösen, wenn Sie über Unebenheiten auf der
Straße fahren oder bei plötzlichen Geschwindigkeitsänderungen, die durch
starkes Bremsen im dichten Verkehr verursacht werden, online.
Stoßstange positionieren und mit Schrauben sichern
Zum
Schluss schrauben Sie die Schrauben an allen vier Ecken jeder
Montageplatte fest, die Sie in den vorherigen Schritten verbunden haben,
und platzieren dann den Stoßfänger zwischen den oberen und unteren
Armlehnen, nachdem Sie die notwendigen Anpassungen vorgenommen haben
(falls erforderlich). Dies stellt sicher, dass es keine Fehlausrichtung
Probleme aufgrund von extern angelegten Kräften wie Stöße durch Airbags
oder Auswirkungen auf Straßenoberflächen verursacht carskin Vibrationen
immer wieder im Laufe der Zeit, die ihren Griff basierte Verbindungen im
Inneren hinter Cabinettes lösen könnte, ohne sofort bemerkt, bis es
leider zu spät ist, wenn vernachlässigt regelmäßig was schließlich
schädliche Vorfälle nehmen Leben unwissentlich offensichtlich!
Einfache Einrichtung und Wartung
Der
Einbau eines Rammschutzbügels ist ein wichtiger Schritt zum Schutz
Ihres Fahrzeugs und seiner Komponenten. Ein Rammschutzbügel, auch
Überrollkäfig genannt, ist so konzipiert, dass er die Energie eines
Aufpralls absorbiert und über den gesamten Bügel verteilt. Der richtige
Einbau ist entscheidend für den Schutz Ihres Fahrzeugs. Hier sind einige
Tipps für den richtigen Einbau eines Rammschutzbügels:
Informieren Sie sich über die gesetzlichen Vorschriften
Bevor
Sie einen Rammschutzbügel montieren, müssen Sie sich mit den
gesetzlichen Bestimmungen vertraut machen, die für den Bereich gelten,
in dem Sie den Bügel montieren wollen. In einigen Ländern sind
beispielsweise bestimmte Schraubentypen oder Montageabstände zu
bestimmten Bereichen des Fahrzeugs vorgeschrieben. Vergewissern Sie
sich, dass Sie die für Ihr Gebiet geltenden Vorschriften kennen, bevor
Sie mit dem Einbau beginnen.
Besorgen Sie die erforderlichen Werkzeuge und Geräte
Wenn
Sie sich vor Beginn der Installation vergewissern, dass Sie über alle
erforderlichen Werkzeuge und Ausrüstungen verfügen, können Sie
sicherstellen, dass alles reibungslos verläuft. Sie sollten
Schraubenschlüssel und Knarren, Bohrer, Schutzbrillen, Maßband,
Elektrowerkzeuge und Sicherheitshandschuhe immer zur Hand haben, wenn
Sie an Ihrem Projekt arbeiten. Es ist auch hilfreich, zusätzliche
Schrauben, Muttern und Unterlegscheiben bereitzuhalten, für den Fall,
dass etwas nicht richtig passt.
Verstehen Sie, wie jedes Teil zusammengehört
Es
kann hilfreich sein, alle Einzelteile auf einer ebenen Fläche
auszulegen, damit Sie sich vergewissern können, dass jedes Teil richtig
passt, bevor Sie es am Rahmen oder an den Rahmenteilen Ihres Fahrzeugs
anbringen. So können Sie sich vergewissern, dass alles richtig
zusammenpasst, bevor Sie die Montage abschließen, indem Sie jedes Teil
mit hochwertigen Befestigungselementen, die allen staatlichen
Vorschriften entsprechen, sicher an seinem Platz verschrauben.
Verschrauben Sie alles sicher an seinem Platz
Nachdem
Sie sich vergewissert haben, dass alle Teile gut zusammenpassen und
keine Lücken zwischen den Verbindungsstellen vorhanden sind, müssen Sie
alles fest verschrauben und eventuelle Schwachstellen mit zusätzlichen
Befestigungselementen wie Nieten oder Schweißnähten verstärken (sofern
vorhanden). Je nachdem, welches Modell Sie gekauft haben, kann dieser
Vorgang zwischen 30 Minuten und mehreren Stunden dauern. Nehmen Sie sich
also Zeit und verwenden Sie nach Möglichkeit hochwertige
Befestigungselemente - wenn Sie es hier übertreiben, kann das im Falle
eines Unfalls Leben retten!
Werkseitig geprüfter Überrollkäfigsatz
Der
beste Weg, um sicherzustellen, dass Ihr Überrollkäfig-Kit den örtlichen
staatlichen Vorschriften entspricht, ist der Kauf eines werksgeprüften
Überrollkäfig-Kits, das aufgrund intensiver Tests vor dem Verkauf eine
optimale Leistung bei einem Aufprall gewährleistet - diese Kits sind
sehr empfehlenswert für jeden, der maximalen Schutz für sein Fahrzeug
oder seinen Rennwagen wünscht!
Lagerschutz.com
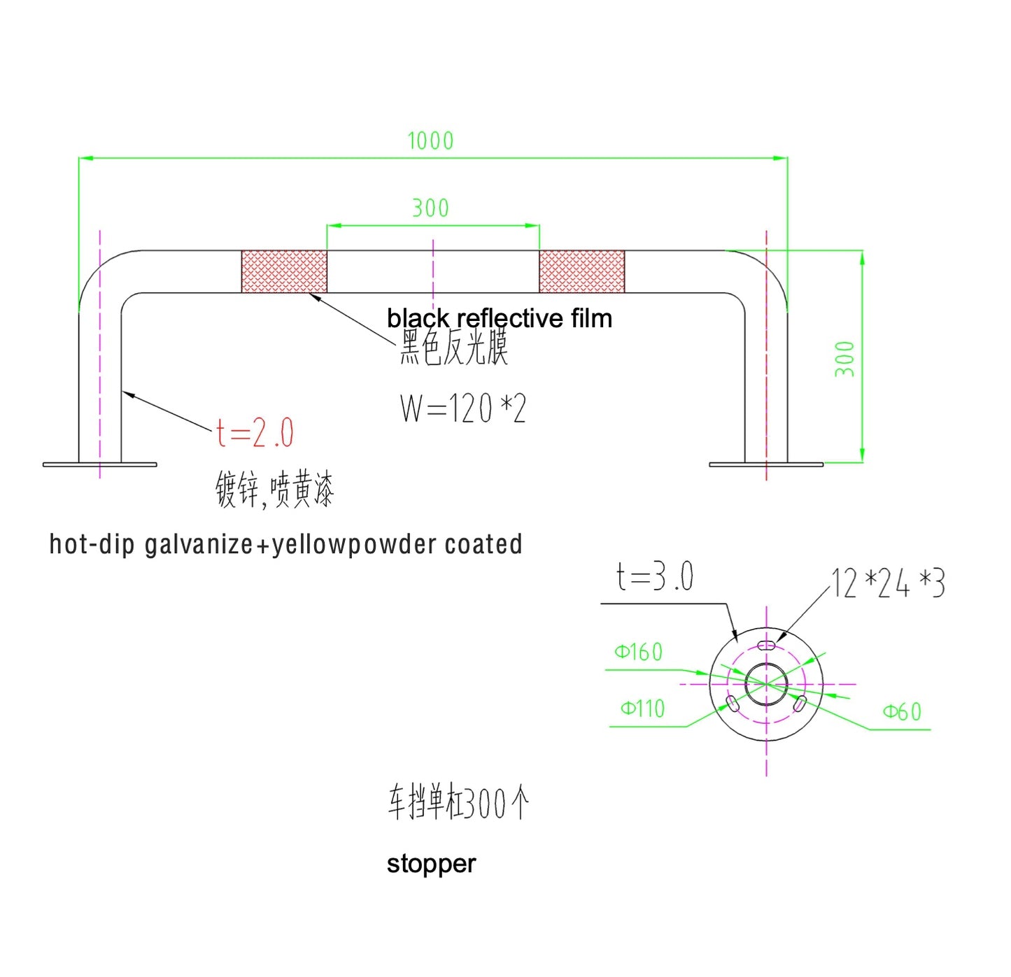
Rammschutzbügel 100 cm flach, Rammschutzgeländer, aus Stahl, zum Aufdübeln
Share

